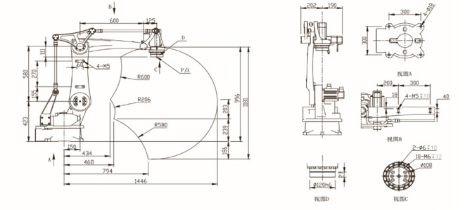
一、工作范围

二、技术参数
| 型号 | KRJ4-10 |
|---|---|
| 类型 | 垂直关节4自由度 |
| 主要用途 | 搬运、码垛、上下料 |
| 最大臂展 | 1400mm |
| 最大可搬重量 | 10kg |
| 位置重复精度 | ±0.08mm |
| 电源容量 | 1.6KVA |
| P点动作范围 | 见上图 |
| 本体重量 | 165kg |
| 安装方法 | 地面 |
|---|---|
| 使用环境条件 | 0-45℃,20-80%RH(无结露) |
| 防护等级 | 与IP67相当 |
| 最大单轴速度 | ||
|---|---|---|
| 基本轴 | 1轴 | 119°/s |
| 2轴 | 137°/s | |
| 3轴 | 148°/s | |
| 手臂轴 | 4轴 | 148°/s |
| 各轴运动范围 | ||
| 基本轴 | 1轴 | ±170° |
| 2轴 | +10°+155° | |
| 3轴 | +10°-95° | |
| 手臂轴 | 4轴 | ±360° |


